2026 전기기사 전기산업기...
기간무제한, 전기기사 전기...
장바구니
전기스쿨소개
교수소개
업데이트 : 2026.01.28
▼
■ 개강안내
■ 온라인강의
■ 원격제어
■ 뉴스레터
▼
필기합격반 도서
실기합격반 도서
무료동영상 도서
필기과정
필기합격반
과목별 단과반
필기특강반
실기과정
전기(산업)기사
공사(산업)기사
년도별문제
실기모의고사
USB 강의
필기합격반
실기과정 기사
실기과정 공사
기간무제한
필기합격반
실기과정 기사
실기과정 공사
실기모의고사
전기(산업)기사
공사(산업)기사
필기특강반
홈
>
커뮤니티
>
학습자료
우리들의 이야기 / 정보공유 / 무료학습자료
홈
>
커뮤니티
>
학습자료
합격수기
무료학습
학습자료
복원/모의고사
정회원 자료
열린게시판
구독게시판
전체보기
기사실기
기사필기
기술사
제목
이름
내용
번호
제목
등록인
등록일
추천수
조회수
비고
전기기사 전기기기, 15점 이상을 위한 캐릭터 공략법
김대호
2025-07-02
114
1761
한국전기설비규정(KEC), 15점 이상을 위한
김대호
2025-07-02
123
2282
전기기사 전력공학, 15점 이상을 위한 필승 공략집
김대호
2025-07-02
105
1786
전기기사 전자기학, 12점을 위한 전략적 학습법
김대호
2025-07-02
107
1686
전기기사 회로이론, 12점 확보를 위한 최소 공략법
김대호
2025-07-02
101
1800
표준용어사전
전기스쿨
2021-02-19
409
8444
◆ 전선약호 Full name
김대호
2018-03-29
450
12680
◆ 전기의 단위 읽기 쓰기
김대호
2018-03-14
674
27011
◆ 실기시험 학습방법 (다수생 필독)
김대호
2016-11-21
409
13847
공학기초자료
김대호
2016-11-14
269
3625
◆ 관리자 자료실
김대호
2016-10-06
417
10141
948
[기사실기]
PN 접합 다이오드 원리
(
0
)
김대호
2021-05-11
442
3610
947
[기사실기]
비중과 밀도의 차이
(
0
)
전기스쿨
2021-04-29
539
9393
946
[기사실기]
배선용차단기 규격참고자료
(
0
)
김대호
2021-04-20
401
4624
945
[기사실기]
고조파 방지 / 리액터설치 / 단락용량 증대
(
0
)
김대호
2021-04-18
422
4087
944
[기사실기]
절연협조
(
0
)
김대호
2021-04-15
520
7450
943
[기사실기]
변압기용량(유입)
(
0
)
김대호
2021-04-15
370
4522
942
[기사실기]
개별접지와 통합접지의 비교
(
0
)
김대호
2021-04-10
492
7611
941
[기사실기]
기중차단기의 규격
(
0
)
전기스쿨
2021-04-08
436
3552
940
[기사실기]
MOF, PT, GPT 정격의 표기와 예
(
0
)
김대호
2021-04-06
422
4159
939
[기사실기]
MOF와 DM, VARH의 결선
(
0
)
김대호
2021-04-06
407
4784
938
[기사실기]
분기회로의 종류
(
0
)
김대호
2021-03-24
385
3320
937
[기사실기]
기중부하개폐기(I.S : Interrupter Switch)
(
1
)
김대호
2021-03-24
414
5462
936
[기사필기]
케이블의 동상 다조포설시 배치
(
0
)
김대호
2021-03-18
439
6610
935
[기사실기]
포장퓨즈와 비포장퓨즈
(
0
)
김대호
2021-03-01
457
11177
934
[기사필기]
결합계수
(
0
)
김대호
2021-02-25
381
3684
933
[기사실기]
Δ에서 Y로의 변환 / 와이델타 등가변환
(
1
)
전기스쿨
2021-02-05
497
6699
932
[실기대비]
동기검정등
(
0
)
김대호
2020-12-19
349
3262
931
[기사필기]
Z 방향 전자파 진행 / 미분계수 z축 성분만 존재 / 무손실 유전체의 전자파
(
0
)
김대호
2020-12-04
467
4491
930
[기사실기]
한자용어 표준화
(
0
)
김대호
2020-11-27
443
3859
929
[기사실기]
전력손실률
(
0
)
김대호
2020-11-07
524
5265
1
2
3
4
5
6
7
8
9
10
>>
사이트 이용문의 : 0505-233-3314 FAX : 0505-233-3315 이메일주소 : pekor@naver.com 대표 : 강명아
주소 : 서울특별시 서초구 효령로 41, 1층 통신판매등록번호 : 2010-서울서초-0491
사업자등록번호 : 114-90-85522 스카이미디어(교육청 평생교육시설) 개인정보관리책임자 : 강명아
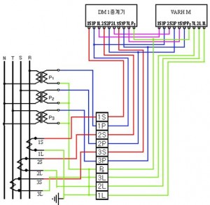
Since2004, Copyright ⓒ 2026 스카이미디어 / 전기스쿨 All Rights Reserved. Ver 3.4