쿠폰등록
모바일모드
전기스쿨인강 나의 강의실 커뮤니티 고객센터 동영상강의 USB강의 쇼핑몰 유료회원제
OFF
> 커뮤니티 > 학습자료 > 상세보기
우리들의 이야기 / 정보공유 / 무료학습자료
> 커뮤니티 > 학습자료 > 상세보기
트위터로 보내기 싸이월드 공감
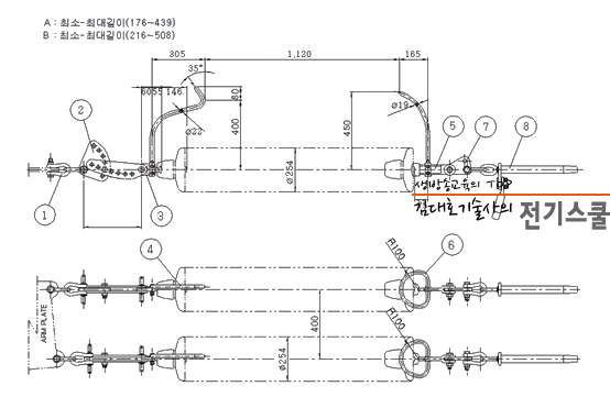
2련내장 애자장치(복도체-정조형)  |  학습자료 2016-10-06 01:10:37
작성자  김대호 조회  1924   |   추천  261
 

번호 품명 수량 재질 ACSR 330SQ ACSR 410SQ
(1) 앵카쇄클 4 STEEL AS-12 AS-16.5-2
(2) 이도조정세트 2 STEEL SA12-A(B) SA16.5-A(B)
(3) 볼아이 2 H.T.ST/STEEL BE-12H BE-16.5H
(4) 아킹혼(캡측) 2 STEEL AH-C2TD AH-C2TD
(5) 소켓크레비스 2 DUCTILE SC-12H SC-16.5H
(6) 아킹혼(핀측) 2 STEEL AH-P2TD AH-P2TD
(7) 삼각링크 2 STEEL TL-12 TL-16.5
(8) 압축인류클램프 2 ALUMINUM DEA-8 DEA-9
(9) 앵카쇄클 2 - AS-16.1-1 AS-16-2
번호 제목 등록인 등록일 추천수 조회수 비고
68 [전체] 픽스처 스터드와 히키 (0) 김대호 2016-11-02 271 3814
67 [기사실기] 발전기실 (0) 김대호 2016-11-02 305 1877
66 [전체] 유도전동기 명판 (0) 김대호 2016-11-02 243 3051
65 [전체] MOF명판 (0) 김대호 2016-11-02 264 2087
64 [기사실기] 피뢰기의 특성요소 (0) 김대호 2016-11-01 414 7436
63 [전체] 케이블헤드의 명칭 (0) 김대호 2016-10-29 247 2122
62 [전체] 철탑의 오프셋 (0) 김대호 2016-10-28 289 4195
61 [전체] 조명기구의 보호등급 (0) 김대호 2016-10-11 250 3582
60 [기사실기] 최대수요전력계 demand meter (1) 김대호 2016-10-08 305 2354
59 [전체] 1련현수 애자장치(복도체) (0) 김대호 2016-10-06 271 2177
58 [전체] 1련현수 애자장치(단도체) (0) 김대호 2016-10-06 319 2294
57 [전체] 2련현수 애자장치(단도체) (0) 김대호 2016-10-06 242 1870
56 [전체] 2련현수 애자장치(복도체) (0) 김대호 2016-10-06 254 2387
55 [전체] 2련내장 애자장치(단도체-정조형) (0) 김대호 2016-10-06 242 2075
54 [전체] 2련내장 애자장치(단도체-역조형) (0) 김대호 2016-10-06 256 2471
53 [전체] 1련내장 애자장치(단도체-정조형) (0) 김대호 2016-10-06 250 2138
52 [전체] 1련내장 애자장치(단도체-역조형) (0) 김대호 2016-10-06 244 2311
51 [전체] 2련내장 애자장치(복도체-정조형) (0) 김대호 2016-10-06 261 1924
50 [전체] 2련내장 애자장치(복도체-역조형) (0) 김대호 2016-10-06 270 2167
49 [전체] 가공지선 현수애자장치 (0) 김대호 2016-10-06 274 3690
추천
목록
회사소개 이용약관 개인정보취급방침 이메일주소무단 수집거부 광고문의 도서배송 관리자쪽지 찾아오시는길
사이트 이용문의 : 0505-233-3314 FAX : 0505-233-3315 이메일주소 : pekor@naver.com 대표 : 강명아
주소 : 서울특별시 서초구 효령로 41, 1층 통신판매등록번호 : 2010-서울서초-0491
사업자등록번호 : 114-90-85522 스카이미디어(교육청 평생교육시설) 개인정보관리책임자 : 강명아

Since2004, Copyright ⓒ 2026 스카이미디어 / 전기스쿨 All Rights Reserved. Ver 3.4