쿠폰등록
모바일모드
전기스쿨인강 나의 강의실 커뮤니티 고객센터 동영상강의 USB강의 쇼핑몰 유료회원제
OFF
> 커뮤니티 > 학습자료 > 상세보기
우리들의 이야기 / 정보공유 / 무료학습자료
> 커뮤니티 > 학습자료 > 상세보기
트위터로 보내기 싸이월드 공감
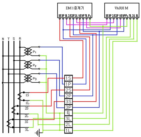
MOF와 DM, VARH의 결선  |  학습자료 2021-04-06 12:18:02
작성자  김대호 조회  5130   |   추천  460
첨부파일 : 1617679082-12.jpeg

 
번호 제목 등록인 등록일 추천수 조회수 비고
948 [기사실기] PN 접합 다이오드 원리 (0) 김대호 2021-05-11 495 3880
947 [기사실기] 비중과 밀도의 차이 (0) 전기스쿨 2021-04-29 600 10484
946 [기사실기] 배선용차단기 규격참고자료 (0) 김대호 2021-04-20 450 5077
945 [기사실기] 고조파 방지 / 리액터설치 / 단락용량 증대 (0) 김대호 2021-04-18 473 4410
944 [기사실기] 절연협조 (0) 김대호 2021-04-15 583 7931
943 [기사실기] 변압기용량(유입) (0) 김대호 2021-04-15 420 4805
942 [기사실기] 개별접지와 통합접지의 비교 (0) 김대호 2021-04-10 542 7979
941 [기사실기] 기중차단기의 규격 (0) 전기스쿨 2021-04-08 496 3837
940 [기사실기] MOF, PT, GPT 정격의 표기와 예 (0) 김대호 2021-04-06 477 4455
939 [기사실기] MOF와 DM, VARH의 결선 (0) 김대호 2021-04-06 460 5130
938 [기사실기] 분기회로의 종류 (0) 김대호 2021-03-24 432 3567
937 [기사실기] 기중부하개폐기(I.S : Interrupter Switch) (1) 김대호 2021-03-24 467 6062
936 [기사필기] 케이블의 동상 다조포설시 배치 (0) 김대호 2021-03-18 487 7171
935 [기사실기] 포장퓨즈와 비포장퓨즈 (0) 김대호 2021-03-01 508 12020
934 [기사필기] 결합계수 (0) 김대호 2021-02-25 427 3994
933 [기사실기] Δ에서 Y로의 변환 / 와이델타 등가변환 (1) 전기스쿨 2021-02-05 549 7439
932 [실기대비] 동기검정등 (0) 김대호 2020-12-19 394 3494
931 [기사필기] Z 방향 전자파 진행 / 미분계수 z축 성분만 존재 / 무손실 유전체의 전자파 (0) 김대호 2020-12-04 511 4778
930 [기사실기] 한자용어 표준화 (0) 김대호 2020-11-27 486 4145
929 [기사실기] 전력손실률 (0) 김대호 2020-11-07 577 5596
추천
목록
회사소개 이용약관 개인정보취급방침 이메일주소무단 수집거부 광고문의 도서배송 관리자쪽지 찾아오시는길
사이트 이용문의 : 0505-233-3314 FAX : 0505-233-3315 이메일주소 : pekor@naver.com 대표 : 강명아
주소 : 서울특별시 서초구 효령로 41, 1층 통신판매등록번호 : 2010-서울서초-0491
사업자등록번호 : 114-90-85522 스카이미디어(교육청 평생교육시설) 개인정보관리책임자 : 강명아

Since2004, Copyright ⓒ 2026 스카이미디어 / 전기스쿨 All Rights Reserved. Ver 3.4